CHECK LINE MARK-10 CT100 CLOSURE TORQUE TESTER CAP-T BOTTLE 100%TESTED FREE SHIP
CHECK LINE MARK-10 CT100 CLOSURE TORQUE TESTER CAP-T BOTTLE 100%TESTED FREE SHIP
This listing is for a 100% TESTED and in GREAT OPERATIONAL & COSMETIC Condition CHECK LINE MARK-10 CT100 CLOSURE TORQUE BOTTLE CAP-T TESTER as can be seen in the pictures.
Great Cosmetic condition as shown in the pictures, please check the many pictures available here.
This unit came from a Federal University and has ALWAYS been very well maintained, never submitted to a commercial laboratory's wear and tear.
FEEL FREE TO READ INSTRUCTION DATA TECHNICAL MANUAL FOR THIS SPECIFIC UNIT BY COPYING AND THEN GOOGLING THE FOLLOWING LINK: inspection.ie/media/prod_img/100MARK1.PDF
PLEASE WATCH A VIDEO OF HOW A SIMILAR MODEL WORKS ON YOUTUBE BY CLICKING THE FOLLOWING LINK: https://www.youtube.com/watch?time_continue=182&v=QVhADuxiBJU
Specifications below taken from Manufacturer's Weblink, you may find it by COPYING and then GOOGLING the following weblink page on this equipment: inspection.ie/media/prod_img/100MARK1.PDF
Pre Owned Mark-10 Cap-T-100 Closure Torque Cap Torque Tester
Description : Mark 10 Cap Torque Tester Capacity : 100 x 0.1 lbin 1150 x 1 kg Fmm 1150 x 1 Ncm
COUNTRY OF MANUFACTURE United States
MANUFACTURER Mark 10
DESCRIPTION Mark 10 Cap Torque Tester
CAPACITY 100 x 0.1 lbin 1150 x 1 kg Fmm 1150 x 1 Ncm
Mark 10 Cap Torque Tester
The new Series CT Cap Torque Tester presents a powerful yet value priced solution for closure manufacturers bottlers food and beverage companies and others.
The tester features a solid aluminum housing and rugged construction for many years of service in laboratory or production environments.
Adjustable posts effectively grip a broad range of container shapes and sizes while a set of optional jaws are available as an alternative gripping method.
The CT captures peak torque in both clockwise and counterclockwise directions for application and removal measurements.
Features
Outstanding value
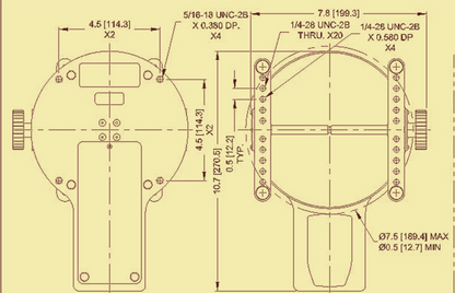
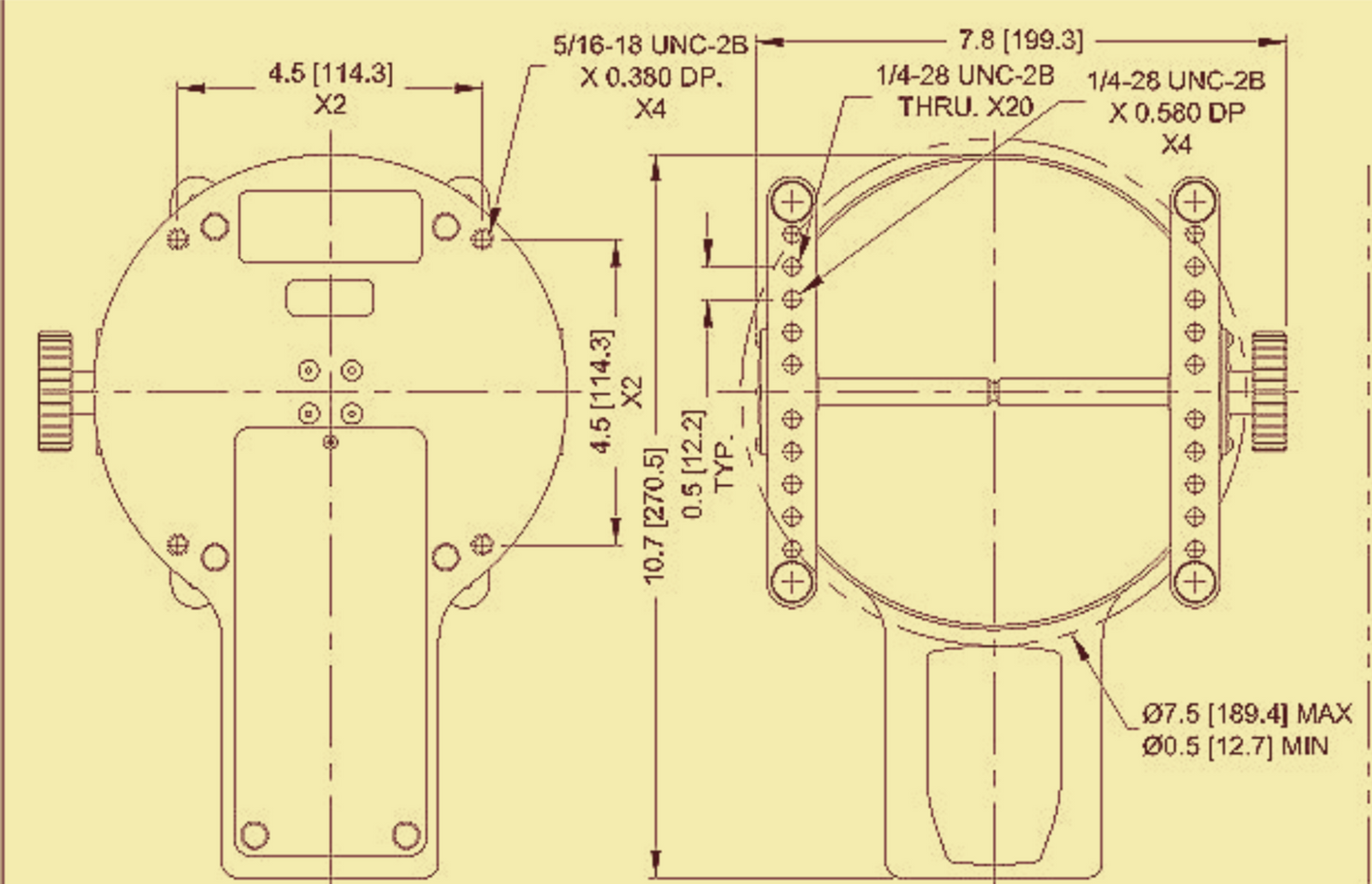
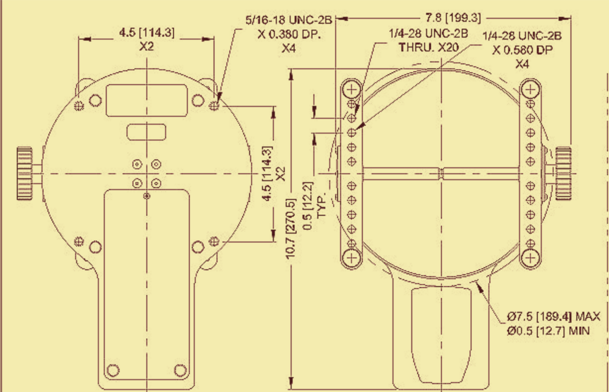
Accepts samples up to 7.5" (189.4 mm) dia.
Selectable units of measurement
Peak memory for clockwise and counter clockwise readings
Optional sample gripping jaws
Solid aluminum housing
Movable sample gripping posts
3 capacities available: 12 lbin (135 Ncm) 50 lbin (570 Ncm) 100 lbin (1150 Ncm)
Battery (non-rechargeable) or AC operation
Sampling rate: 30 readings/sec
Safe overload: 150% of capacity
Battery: 9V (non-rechargeable) 30 hours of continuous operation
Weight: 10 lbs (4.5 kg)
Environmental requirements: 40
FEEL FREE TO READ INSTRUCTION DATA TECHNICAL MANUAL FOR THIS SPECIFIC UNIT BY COPYING AND THEN GOOGLING THE FOLLOWING LINK: inspection.ie/media/prod_img/100MARK1.PDF
This unit is in perfect working order and ready to be shipped.
100% Fully TESTED and in GREAT OPERATIONAL CONDITION.
Stock # 19107
Couldn't load pickup availability
Out of stock
View full details
